马海杰 蔡明灯
1.海宁马桥大都市热电有限公司 2.浙江省节能协会热电专委会
摘要:全国绝大部分燃煤火电热电机组烟气处理采用石灰石/石灰-石膏湿法脱硫工艺,该工艺系统运行稳定可靠,脱硫效率高,但脱硫废水要做到零排放非常困难,特别“双碳”政策下,煤电机组耦合固废、生物质等,火电热电企业成为区域能源处置中心,造成烟气成分及脱硫塔中的脱硫浆液成分也更加复杂,浆液品质的下降会严重影响脱硫塔浆液的脱硫效率,其中氯根离子影响最大,如不及时排出降低浓度将会导致脱硫塔中浆液中毒脱硫能力严重下降,严重时塔内会造成大量汽泡,脱硫循环泵无法正常运动,并产生冒塔现像。为保证脱硫塔正常运行,产生大量的脱硫废水,如何解决脱硫废水不外排是件非常棘手问题,采用“预处理+浓缩减量+末端固化”通过结晶分盐实现零排放,该技术路线有效的解决脱硫废水零排放的需要。
关键词:湿法脱硫;脱硫废水;氯根离子;预处理;浓缩减量;末端固化;零排放
前言
在"碳达峰、碳中和"战略目标驱动下,我国能源结构加速向绿色低碳化转型,以风电、光伏为代表的新能源正逐步成为电力系统装机主体
【1、2】,截至 2025 年 5 月,全国发电装机总量达 36.1亿千瓦,同比增长 18.8%,其中风电与光伏装机容量分别达 5.67 亿千瓦,10.8 亿千瓦,总量 16.47 亿千瓦,首次超越火电装机 14.57 亿千瓦
【3】,然而,新能源固有的波动性与间歇性已成为新型电力系统构建的关键约束,作为当前调节能力最成熟的主力电源,煤电机组需承担深度调峰核心任务,2024 年迎峰度夏期间,全国最高用电负荷 14.51 亿千瓦中,煤电贡献约 10 亿千瓦保障容量,数据表明,火电以 40%装机占比支撑 60%发电量70%顶峰能力及 80%系统调节需求
【4】,其作为电力安全"压舱石" 的战略地位不可替代。然而,在“双碳”政策驱动下,煤电机组也向低碳化转型,煤电机组耦合固废、生物质等,燃煤电厂湿法脱硫过程中产生的脱硫废水其成分更加复杂、处理难度更大,成为燃煤电厂实现废水零排放的关键挑战之一。烟气脱硫采用石灰石-石膏湿法脱硫工艺,该工艺具有技术成熟,系统可靠,脱硫效率高,吸收剂来源与副产物处理稳定等特点。但石灰石/石灰-石膏湿法脱硫系统中,浆液的品质对整个系统的安全稳定运行至关重要,关系着设备使用寿命、脱硫效率能否达标、副产物品质是否合格等,特别是浆液中氯离子给脱硫系统造成的影响,如没有按照设计要求排出脱硫废水,除氯根离子浓度超标外,吸收塔内的惰性物质(不参加反应的灰、杂质等)也无法排出,严重影响脱硫效率。脱硫废水含有悬浮物、COD、氟化物、过饱和的亚硫酸盐、硫酸盐以及重金属等杂质,是国家环保标准要求严格控制的第一类污染物,根据要求,脱硫废水应单独处理,不得外排;海宁马桥大都市热电有限公司探索采用“预处理+浓缩减量+末端固化”处理脱硫废水,达到零排放,为行业同仁提供一个新思路。
1、脱硫废水常规处理技术路线
常规的处理技术一般采用三联箱工艺通过加碱液、有机硫等沉淀去除废水中大部分重金属,再添加絮凝剂使沉淀物浓缩为污泥,从而降低废水中悬浮物、氟离子、重金属等浓度,处理后废水用于煤库喷淋增湿,但存在自动化程度低,占地面积大,增大燃煤水分后降低能源利用效率,氯离子等进入煤中通过锅炉燃烧重新回到脱硫系统等问题,当煤质变化,处置污泥,耦合固废、生物质等烟气中的成份变得非常复杂,同时浓度会上升,同时造成脱硫塔浆液的氯根离子快速上升,脱硫效率下降,需要更大水量的更换,来保证脱硫塔的正常运行,从而产生大量脱硫废水,常规处理技术己无法处理大量的脱硫废水,煤库喷淋增湿己无法消纳这么大量的脱硫废水,在“双碳〞驱动下,又要达到环保要求脱硫废水零排放,需要新的思路和工艺技术路线。
2、一种脱硫废水零排放技术路线
海宁马桥大都市热电有限公司分析企业内部优势和需求,认真进行技术探索,摸索出一套采用“预处理+浓缩减量+末端固化”的技术路线,即先采用一体化工艺进行预处理,再采用热法缩减废水量,最后通过结晶成盐的技术路线,实现脱硫废水零排放。
2.1、脱硫废水预处理技术
预处理是脱硫废水处理的初端,其目的是去除废水中的大颗粒悬浮物、钙镁硬度离子、部分重金属离子等,使废水水质达到下一处理环节的进水要求,同时也可减少下一处理阶段的结垢风险。将原有的三联箱工艺改造为一体化工艺,大幅提升了自动化水平,减少了占地面积。一体化处理技术是通过系统进水量自动加入一体化药剂将废水pH调至6-9,增强废水絮凝效果,同时去除易形成沉淀的普通金属离子和重金属离子,经澄清池澄清后悬浮物降至35mg/L以下排水进入下一处理环节,澄清池中产生的污泥泵至真空皮带机与石膏浆液共同脱水干化,滤液再次返回废水系统,其工艺如图1所示。
图1 一体化预处理工艺流程图
一体化工艺作为脱硫废水的预处理技术,虽去除了废水中大量的钙镁易结垢离子,但未能去除其中高浓度的氯离子且废水量并没有得到缩减因此需与其他处理技术相结合。
2.2、脱硫废水浓缩减量技术
脱硫废水的浓缩减量是为了降低废水量、回收水资源、降低蒸发固化的成本。针对浓缩减量,海宁马桥大都市热电有限公司与昊姆(上海)节能科技有限公司联合开发了开式蒸发/吸收污水净化技术,利用了空气的高效载水能力,实现净水和高盐水的分离,可用于溶液或者废水提浓。其工艺如图2所示。

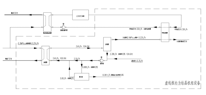
图2 开式蒸发/吸收污水净化系统工艺流程图
在吸收塔中,加热升温后的循环污水与塔底进入的冷干空气直接接触换热,冷干空气吸收污水中热量和水分变为热湿空气,热湿空气经高效除雾器从吸收塔塔顶排出,进入再生塔塔下部,与循环净水逆流直接喷淋接触,空气中的水蒸气遇冷凝结加入净水循环,热湿空气再次变为冷干空气,经高效除雾器从再生塔顶排出,再次回到吸收塔下部,如此循环往复。上述过程将废水循环侧的水分蒸发除雾后在净水循环侧冷凝,与蒸馏效果类似,实现废水的浓缩减量,提取优质净水回收利用。
应用开式蒸发/吸收污水净化技术,回收厂内乏汽余热和连排水的余热作为装置的驱动热源,设计处理厂内现有机组及未来新建机组满负荷的脱硫废水共3t/h,脱硫废水初始氯离子1.5~2万mg/L,浓缩至氯离子10万mg/L以上3t/h,自投入以后,实现完全自动化连锁控制,运行效果良好,在当前厂内锅炉未满负荷运行的情况下,开式蒸发/吸收脱硫废水处理系统仅回收利用锅炉连排水余热即可实现厂内当前2t/h脱硫废水的浓缩减量,脱硫废水初始氯离子含量超过1.5万mg/L,经系统浓缩至浓度15~20万mg/L,同时脱硫废水经过净化装置处理后,产生1.8t/h净水和0.2t/h浓水,净化率达到90%,净水重新回用于脱硫补水,0.2t/h的浓水又经过结晶器,水分被进一步去除最终达到成盐的效果。实现减少喷入煤堆水量2t/h,进一步提升了煤炭利用效率,降低能耗。
表1 开式蒸发/吸收污水净化系统净化前后水质比较
单位:mg/L
|
样品名称 |
蒸发前废水 |
蒸发后浓水 |
蒸发后净水 |
|
项目名称 |
检测结果 |
检测结果 |
检测结果 |
|
悬浮物 |
8 |
53 |
<4 |
|
化学需氧量 |
1.80x103 |
1.68x104 |
50.5 |
|
氯离子 |
2.06x104 |
1.92x105 |
25.1 |
|
溶解性总固体 |
3.72x104 |
3.51x105 |
162 |
|
总氮 |
1.42x103 |
1.26x104 |
13.7 |
2.3、脱硫废水蒸发结晶技术
脱硫废水蒸发结晶技术旨在将浓缩后少量较高浓度的脱硫废水进行蒸发结晶固化,真正实现废水零排放。脱硫废水蒸发结晶装置设计处理量0.3t/h(含盐25%)浓废水,与开式蒸发/吸收污水净化系统配套。0.3t/h(含盐25%)浓废水经结晶机组(包含蒸发器、稠厚器、离心机等),产生0.08t/h结晶盐和0.22t/h二次蒸汽;二次蒸汽经过换热模块继续用作前端浓缩系统的驱动热源,实现热能的梯级回收利用。系统仅需输入蒸汽0.25t/h(0.3MPa饱和)。
开式蒸发/吸收污水净化系统产生的浓废水通过现有浓水输送泵打入浓水结晶系统,通过料液循环泵,将料液打入到蒸发加热器进行加热,然后回到分离器闪蒸,至此在系统内循环蒸发。蒸发产生的二次蒸汽经过换热模块继续用作前端浓缩系统的驱动热源,实现热能的梯级回收利用。随着不断蒸发,废水浓度提高并超过料液中各种盐成分的饱和浓度达到过饱和状态,各类盐成分晶体析出。蒸发析出的细微晶体与料液一起在系统内进行强制循环,当晶体在系统内富集到一定程度时泵入稠厚器冷却降温,晶体沉降在稠厚器底部并不断长大长粗,冷却至常温后将料液送至离心机进行脱水分离,脱水母液通过母液泵送至加热器入口继续蒸发,脱水后的晶体卸料至脱硫石膏库。
图3 脱硫废水蒸发结晶系统工艺流程图
2.4、脱硫废水零排放产物的去向
脱硫废水零排放产物去向是零排放技术选择的关键。废水零排放过程中每个处理环节都会产生废渣废物,在一体化工艺中产生的污泥和最后蒸发结晶,产生的结晶盐同样是脱硫石膏,一起进行综合化利用。
3、总结
燃煤电厂脱硫废水的处理一直以来都是备受关注的环保问题,传统处理技术普遍存在能耗高、成本高、无法彻底达标等问题。“预处理+浓缩减量+末端固化”脱硫废水零排放技术路线通过实践证明,该技术能以更低能耗、更低成本、同时充分利用余热等优势,实现脱硫废水高效处理、净水资源回收利用与废水零排放,为脱硫废水处理提供了可行路径。
参考文献:
[1] 中共中央国务院.关于完整准确全面贯彻新发展理念做好碳达峰碳中和工作的意见。
[2] 国家发展改革委,国家能源局.关于促进新时代新能源高质量实施方案的通知。
[3] 国家能源局.2025年1-5月份全国电力工业统计数据。
[4] 国家能源局.2024年上半年新闻发布会文字实录。